13771386767
 

产品中心

Directory

联系方式

Contact Us
 · 电话:13771386767
 · 传真:
 · 网址:www.yxtmhb.cn
 · 地址:宜兴市高塍塍镇振兴路104号
 · 邮箱:13771386767@163.com
产品展示
  当前位置:首页 > 产品展示
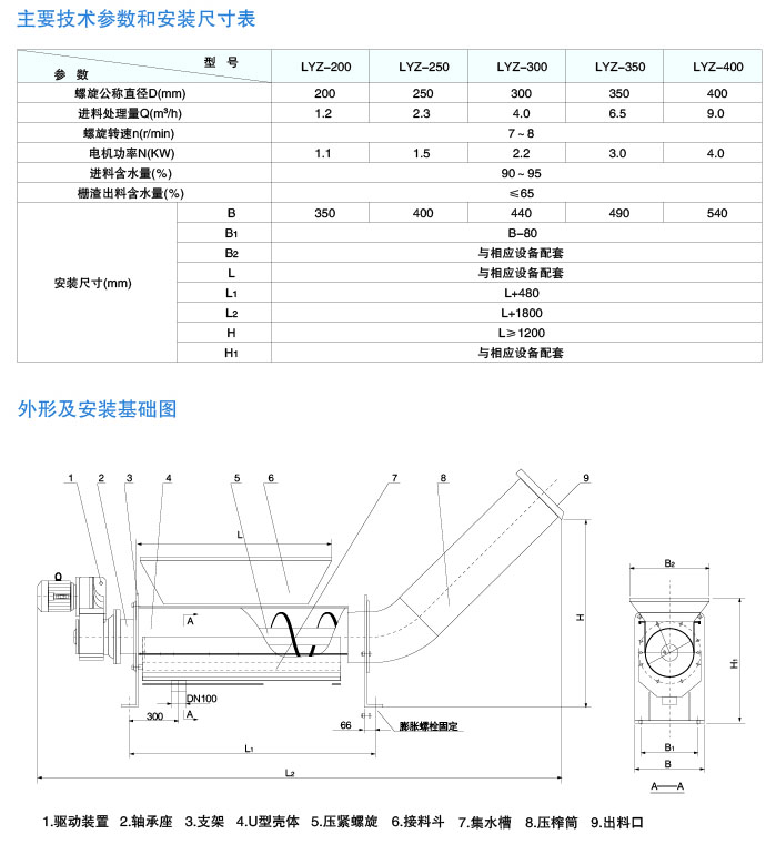
LYZ型螺旋压榨机


    用途

    LYZ型螺旋压榨机适用于城镇污水处理厂、住宅小区污水预处理装置、市政雨、污水泵站及自来水厂等的栅渣处理,它主要与输送机或格栅等设备配套使用,将捞出的栅渣进行压榨脱水。

    结构及工作原理

    该设备采用有轴螺旋式,当物料从进料斗进入,通过螺旋体将栅渣推至出料管道内,依靠栅渣重力压缩后推出出料口,直接排放至垃圾小车内外运,压出的废水通过滤网和集水管经排水管排出。

    主要特点

    1、驱动装置采用轴装式齿轮减速机,结构紧凑,运行平稳安全。
    2、螺旋轴上焊接螺旋叶片,增强了叶片的刚度和压榨能力,螺旋叶片采用变螺距形式。
    3、出料管与压榨简体成45°倾角。
    4、压榨机机架采用膨胀螺栓固定,无需预埋件。
    5、该设备可与配套设备进行联动控制,控制方便,也可自行配套就地控制箱。

    型号说明

    


  

        Copyright(C)2015-2017 宜兴市天鸣环保工程有限公司  备案号:苏ICP备18055369号-1
        地址:宜兴市高塍塍镇振兴路104号  

苏公网安备 32028202000758号