(一)SX型酸雾吸收器

酸雾吸收器规格参数表

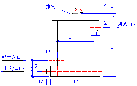
(二)SXG型树脂清洗罐
1、外形结构图

2、SXG型树脂清洗罐规格参数表1

3、SXG型树脂清洗罐规格参数表2

(三)ZBQ树脂捕捉器

ZBQ树脂捕捉器规格参数表

(四)酸碱计量箱

酸碱计量箱规格参数表

(五)YSQ型移动式树脂输送器

(六)WGP型酸碱喷射器

酸碱喷射器规格参数表

(七)酸碱贮罐

酸碱贮罐规格参数表


|
13771386767
|
当前位置:首页 > 产品展示 (一)SX型酸雾吸收器














![]() |
![]() Copyright(C)2015-2017 宜兴市天鸣环保工程有限公司 备案号:苏ICP备18055369号-1 地址:宜兴市高塍塍镇振兴路104号 |